BY7-15-385 SPD T1
Home Products Building Protection DeviceSurge Protection DeviceBY7-15-385 SPD T1
BY7-15-385 SPD T1
| Specification | Description |
|---|---|
| Model | BY7-15-385 |
| Nominal AC Voltage of the System Uo(V) | ~230/400 |
| Max. Continuous Operating Voltage Uc(V) | ~385/255 (N-PE) |
| Nominal Discharge Current In(kA) | 50 |
| Max. Discharge Current Imax(kA) | 100 |
| Impulse Current limp(kA) | 15 |
| Electric Charge Quantity Q(As) | 7.5 |
| Specific Energy w/R (kJ/Ω) | 117 |
| Voltage Protection Level Up(kV) | 2.5 |
| Response Time TA | MOV: 25 ns / GDT: 100 ns |
| Max. Backup Fuse | 315A gL/gG |
| Wiring | 4mm2~35mm2 |
| Protection Grade of the Shell | IP20 |
| Material | PA66 |
| Flameproof Grade | Comply with UL94-V0 |
| Short Circuit Current Rating Isccr | 10000A |
| Status Indicator | Green: Functional / Red: Failed |
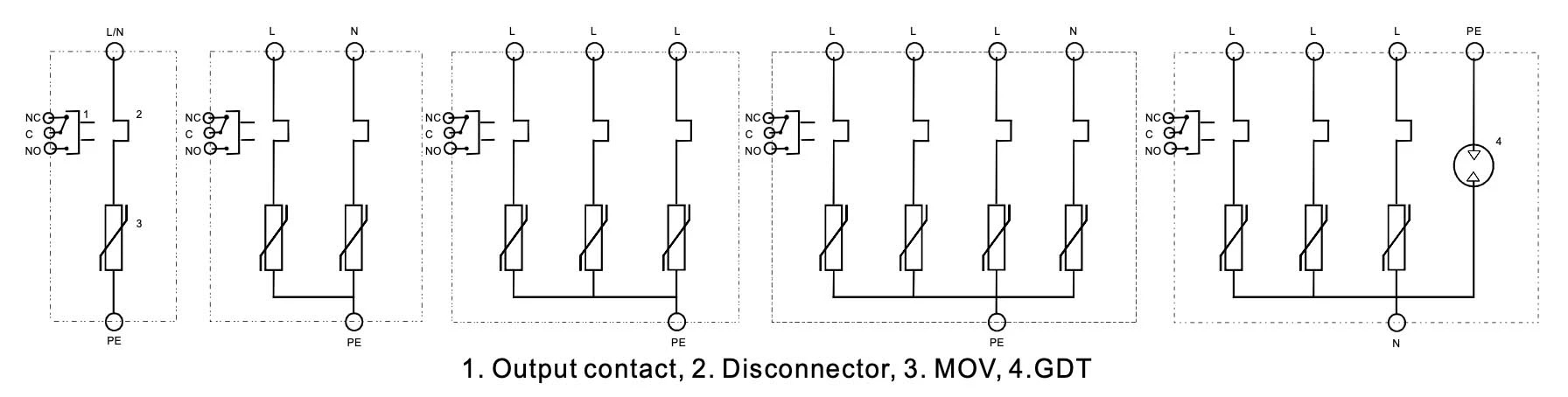
| Output Contact | C-NC: Conduction / C-NO: Open |
| Combination Method | 1 0, 2 0, 3 0, 4 0, 3 1 |
| Applicable Power Supply System | TN, TT |
| Installation Method | 35mm DIN rail |
| Ambient Temperature | -5°C to 40°C |
| Ambient Humidity | 5% to 95% |
| Altitude | <2000m |




The BY7-15-385 series Surge Protection Device (SPD) offers a robust voltage protection level and reliable overload characteristics, paired with a strong discharge current capacity, making it well-suited for lightning protection in AC low-voltage distribution systems. The BY7-15-385 series is equipped with a high-energy Metal Oxide Varistor (MOV) chip that ensures a swift response to surges, coupled with secure protection functionality. This product adheres to the IEC 61643-11:2011 standard, providing confidence in its performance and safety measures for electrical system defense against voltage transients.
Need more information?
Contact us to request pricing, availability and customization options.








