Solid state relay with diagnostic
Home Products Solid State Relays (AC Switching)Single Phase Solid State RelaysSolid state relay with diagnostic
Solid state relay with diagnostic
Reliable Operation: Contactless, spark-free, noiseless, and long-lasting.
Advanced Detection: Overheat and load open-circuit detection with isolated fault output ports.
Zero-Crossing Triggering: Built-in RC absorption circuit for enhanced performance.
Control Voltage: 12-24VDC with green LED indicating control status.
Isolated Output Status: Normally closed during operation, indicated by a yellow LED.
Safety Design: Prevents accidental electric shock.
❏ Solid State Relay (SSR) is an active component composed entirely of electronic circuits. It relies on the electromagnetic and optical characteristics of semiconductors and electronic components to accomplish isolation and relay switching functions. There is photoelectric isolation between the input and output ends, which is compatible with logic circuits such as TTL, DTL, HTL, etc. It aims to drive a large circuit load directly with a minimal control signal.
❏ The Solid State Relay operates reliably with no contacts, no sparks, a long lifespan, no noise, no electromagnetic interference, fast switching speed, strong anti-interference ability, and it is compact in size, resistant to vibration and shock, explosion-proof, moisture-proof, and corrosion-resistant.
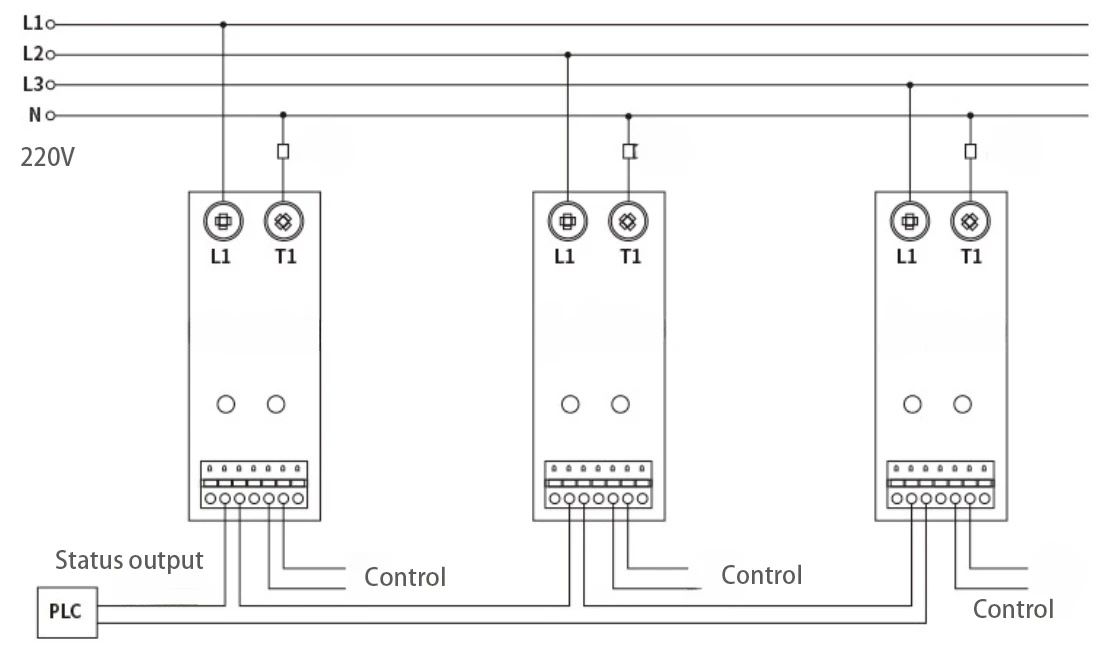
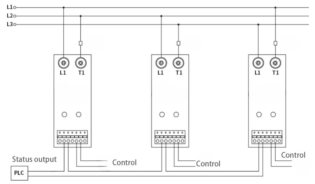
❏ The models GM40SR22/GM40SR38 are single-phase AC Solid State Relays suitable for a maximum load current of 40A and a rated load voltage of 220V/380V. They are zero-crossing trigger SSRs with a built-in RC snubber circuit and have diagnostic functions for the load, the main circuit, and the SSR output.
❏ They are widely used in industrial automation control systems such as electric furnace heating systems, CNC machinery, remote control machinery, solenoid valves, fire safety systems, etc.
❏ The control voltage input is 12-24VDC with a green LED indicator for the control state.
❏ The isolated output state is normally closed during operation, indicated by a yellow LED.
❏ It has functions for overheating detection, load open circuit detection, and relay short-circuit detection.
❏ There is a set of detachable input connectors using spring-clamp terminals. The Solid State Relay is integrated with the heat sink.
❏ The exterior of the case has a black transparent protective cover to prevent accidental contact with live terminals.
| Part Number | GM40SR22/GM40SR38 |
|---|---|
| Max. Current | For resistive load 40A; for inductive load 10A |
| Operating Voltage | 48-440VAC |
| Power Grid Frequency | 50HZ/60Hz |
| Minimum Load Current | 100mA |
| Off-State Leakage Current | <10mA |
| Off-State Voltage Rise Rate | 500V/μS |
| On-State Current Critical Rise Rate | 100A/μS |
| Control Voltage | 12-24 V |
| Control Current | 8-20mA |
| Power Supply Voltage | <50 V |
| Output Current | <1.0 A |
| On-State Impedance | <2Ω |
| Dielectric Strength | ≥2000VAC |
| Operating Ambient Temperature | -25℃~45℃ |



Need more information?
Contact us to request pricing, availability and customization options.

Intelligent Solid State Relay - Diagnostic SSR - Communication SSR
Current digital display, MODBUS communication, RS485 port, Temperature detection, Phase loss detection, Panel function LEDs for operational status monitoring etc.

SCR regulator single phase super slim type
Super slim type 20A/40A 100V-380VAC

Solid state Relay with Load Circuit Monitoring
60A to 500A 240/440V 4-32VDC load circuit and itself function monitoring solid state relay





