Stud Diode SKN400 SKR400
Home Products Stud Semiconductor DeviceSemikron Stud DiodeStud Diode SKN400 SKR400
Stud Diode SKN400 SKR400
Features
• Reverse voltages up to 3600 V
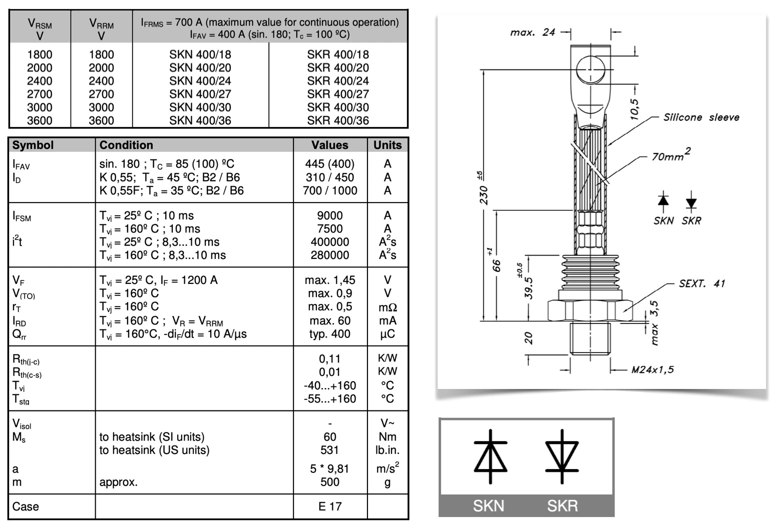
• Hermetic metal cases with glass insulator
• Threaded stud M24 x 1,5 mm.
• SKN: anode to stud
• SKR: cathode to stud
Typical Applications
• High voltage rectifier diode, especially for traction applications
• Cooling via heatsinks
• Non-controllable and halfcontrollable rectifiers
• Free-wheeling diodes

SKN400/18, SKR400/18, SKN400/20, SKR400/20, SKN400/24, SKR400/24, SKN400/27, SKR400/27, SKN400/30, SKR400/30, SKN400/36, SKR400/36
Need more information?
Contact us to request pricing, availability and customization options.









